• 网站首页
  • 关于我们
  • 自主研发产品

    自主研发产品

    PRODUCT CENTER

    20年工厂定制经验,靠谱!

    产品终身质保,有保障!

    良好的品质完整的服务,贴心!

  • 江苏总代产品

    江苏总代产品

    COOPERATION CASES

    20年工厂定制经验,靠谱!

    产品终身质保,有保障!

    良好的品质完整的服务,贴心!

  • 技术支持

    技术支持

    TECHNICAL SUPPORT

    20年工厂定制经验,靠谱!

    产品终身质保,有保障!

    良好的品质完整的服务,贴心!

  • 联系我们
  • 二维码

    公众号

  • 全国服务热线

    400-988-2084

    • 联系人:斯托利

    • 电 话:025-58865963

    • 邮 箱:info@situoli.cn

    • 地 址:南京江北新区学府路24号19幢1F-2F

    关闭

    自主研发产品

    PRODUCT CENTER

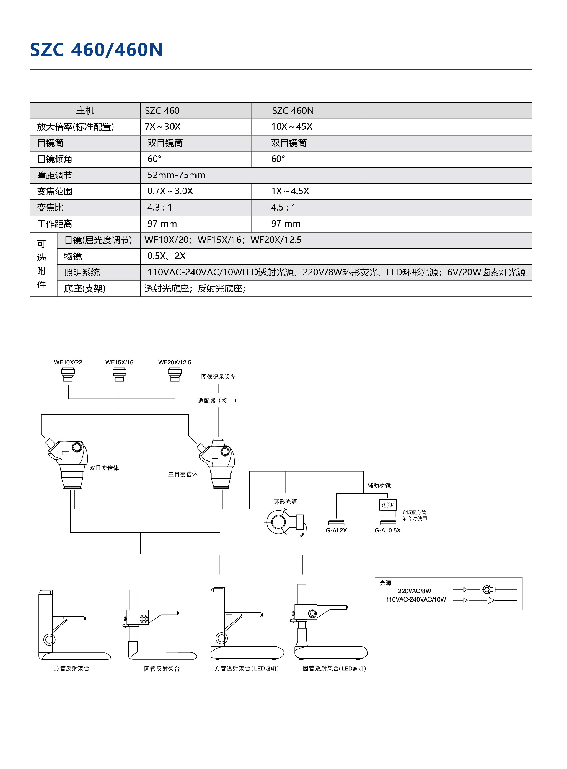
    SZC 460 / SZC 460N 连续变倍体视显微镜

    SZC 460 / SZC 460N 连续变倍体视显微镜

    发布日期:

    2026-02-28

    产品描述:

    立即咨询 +

    向下了解更多详细信息

    Introduction
    产品介绍
    Product Introduction

    SITUOLI体视显微镜单页_画板 1 副本 3.jpg

    SITUOLI体视显微镜单页_画板 1 副本.jpg

    SITUOLI体视显微镜单页_画板 1 副本 4.jpg

    SITUOLI体视显微镜单页_画板 1 副本 5.jpg

    SITUOLI体视显微镜单页_画板 1 副本 8.jpg


  • 积累20余年 经验丰富

    拥有遍布全国的商务合作伙伴和较为完善的经营渠道,缔造了良好的品牌和商誉,层层筛选,全面支撑保障。

  • 雄厚的产品研发实力

    雄厚的产品研发实力、装配工艺以及精湛的生产施工队伍,为公司赢得了客户的长期信为公司赢得了客户的长期信赖和支持!

  • 销售网络范围广

    目前销售网络遍布高校以及企业实验室,先后与国内外多家知名集团公司建立长期合作关系!

  • 创新 · 诚信 · 进取

    以创新谋求发展,以诚信赢得信赖,以进取开拓未来——初心如磐,行稳致远。

  • Cooperation
    合作案例
    Cooperation Cases